|
NMRPredict:
|
|
C13 NMR Peak Search and Mixture Analysis
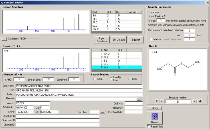
NMRPredict offers the most powerful peak search capabilities on the market today. With the peak search program you can:
- Import a peak list directly from Mnova
or enter peak positions manually
- Optionally add multiplicity information
- Set a tolerance. You can set the same tolerance for all peaks or
set a different tolerance for each peak
- Set the minimum number of co-incident lines you want to match
- Set the minimum and maximum number of peaks to be present in the database entries
- Run both a line-by-line and a pattern recognition algorithm called SAHO simultaneously. Three hit lists will be returned, one for each search technique
and one with only the results common to both searches
- Results are sorted by the coincidence between the query spectrum and the reference spectrum from the database
- Results can be displayed one at a time or via a tiled view of the structures
- Mixtures can also be searched - line-by-line search is a powerful tool for sophisticated mixture analysis
- If you have built your own databases with the NMRPredict DBA program you can choose
to search any combination of commercial and user created databases
Example of a peak search for a pure compound

Example of a peak search for a mixture

Tiled view of structures after a peak search

The structures are sorted according to a hit-quality factor, which is given in the upper left corner,
showing the coincidence between your query spectrum and the reference spectrum retrieved from the database.
|